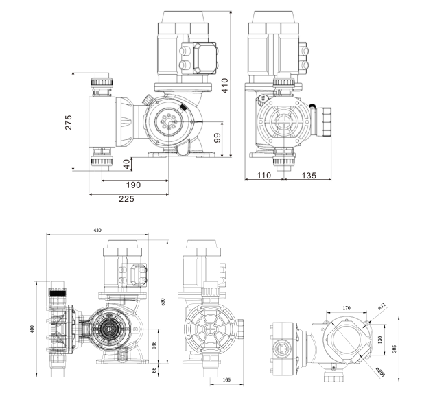
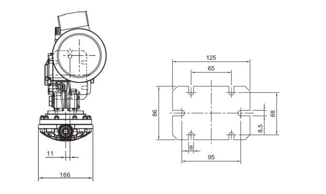
I. Giới thiệu bơm định lượng Greatech BFDYJ020
- Máy bơm BFDYJ020 là máy bơm định lượng màng cơ học có cơ chế hồi lưu cơ học trong vỏ nhôm.
- Mô hình định lượng: Đầu bơm định lượng Greatech BFDYJ020 có van mồi bằng tay. Tốc độ dòng chảy được điều chỉnh bằng tay hoặc tự động (bằng tín hiệu đầu vào) từ 0 (dừng bơm) đến 100% tốc độ dòng chảy tối đa. Hơn nữa, nó được trang bị báo động mức thấp để dừng hoặc không bơm.
- Màng ngăn rắn nguyên chất đáng tin cậy: Quy trình thiết kế và sản xuất tiên tiến cho phép màng ngăn có tuổi thọ độc đáo sự mong đợi. Được làm bằng PTFE rắn nguyên chất, màng ngăn tương thích với hầu hết các hóa chất. Việc thay màng ngăn định kỳ không còn là một yêu cầu bắt buộc nữa. Khả năng tương thích hóa học đầy đủ


II. Ứng dụng bơm định lượng Greatech BFDYJ020
- Hóa chất và xử lý nước: thường được sử dụng để bơm các dung dịch hóa chất trong các quy trình sản xuất và xử lý nước. Chúng có thể được sử dụng để cung cấp các phản ứng hóa học cần thiết hoặc để đưa các chất xử lý vào nước để làm sạch hoặc xử lý nước thải.
- Ngành thực phẩm và đồ uống: Trong ngành thực phẩm và đồ uống, bơm định lượng Greatech BFDYJ020 có thể được sử dụng để bơm các thành phần hương liệu, chất tạo màu, chất bảo quản và các chất phụ gia khác vào các sản phẩm thực phẩm và đồ uống.
- Sản xuất dược phẩm: Trong ngành dược phẩm, bơm định lượng Greatech BFDYJ020 có thể được sử dụng để bơm các chất liệu phụ trợ và dược phẩm vào quy trình sản xuất dược phẩm, giúp đảm bảo chất lượng và đồng nhất của sản phẩm.
- Công nghiệp điện tử: Trong sản xuất linh kiện điện tử và bán dẫn, bơm định lượng Greatech có thể được sử dụng để bơm các dung môi và chất làm mát trong quá trình sản xuất và chế tạo.
- Ứng dụng xử lý chất thải: Bơm BFDYJ020 cũng có thể được sử dụng trong các quy trình xử lý chất thải, như bơm các chất xử lý hoặc chất tạo kết tủa vào dòng chất thải để xử lý và làm sạch.

Thông tin liên hệ:
Miền Nam: Số 480 Đường 51, Phường Phú Tân, TP Bình Dương.
Miền Bắc: 465 Tam Trinh – Hoàng Văn Thụ – Hoàng Mai – Hà Nội.
Website:http://maybomshinmaywa.com/
Fanpage: Máy thiết bị công nghiệp Nasa




1 đánh giá cho Bơm định lượng Greatech BFDYJ020