I. Giới thiệu máy thổi khí làm mát bằng dầu G100
- Động cơ: Máy thổi khí làm mát bằng dầu G100 thường được trang bị một động cơ mạnh mẽ, thường là động cơ điện, đảm bảo hiệu suất cao và hoạt động ổn định.
- Rotor và lược đồ bên trong: Máy thổi khí làm mát bằng dầu G100 có một rotor và lược đồ được thiết kế cẩn thận để tối ưu hóa hiệu suất nén và luồng khí.
- Bộ lọc: Khí được hút vào máy qua một bộ lọc để loại bỏ các tạp chất và bụi trước khi đi vào quá trình nén.
- Hệ thống làm mát: Máy thổi khí làm mát bằng dầu G100 có thể được trang bị một hệ thống làm mát bằng dầu để duy trì nhiệt độ hoạt động ổn định và bảo vệ các thành phần bên trong.
G100 Performance Curve

G100 Noise curve

G100 Performance Table
| RPM | 1000 mmAq | 2000 mmAq | ||
| m3/min | kW | m3/min | kW | |
| 850 | 5.97 | 1.59 | 5.34 | 3.09 |
| 1000 | 7.11 | 1.88 | 6.49 | 3.64 |
| 1150 | 8.37 | 2.16 | 7.75 | 4.18 |
| 1300 | 9.64 | 2.44 | 9.02 | 4.73 |
| 1450 | 10.94 | 2.72 | 10.33 | 5.27 |
| 1600 | 12.21 | 3.00 | 11.60 | 5.82 |
| 1750 | 13.43 | 3.28 | 12.82 | 6.36 |
| RPM | 3000 mmAq | 4000 mmAq | ||
| m3/min | kW | m3/min | kW | |
| 850 | 4.78 | 4.34 | 4.28 | 5.41 |
| 1000 | 5.94 | 5.10 | 5.45 | 6.36 |
| 1150 | 7.21 | 5.87 | 6.72 | 7.32 |
| 1300 | 8.48 | 6.63 | 7.98 | 8.27 |
| 1450 | 9.78 | 7.40 | 9.29 | 9.23 |
| 1600 | 11.05 | 8.16 | 10.56 | 10.18 |
| 1750 | 12.28 | 8.93 | 11.79 | 11.14 |
| RPM | 5000 mmAq | 6000 mmAq | ||
| m3/min | kW | m3/min | kW | |
| 850 | 3.85 | 6.59 | 3.46 | 7.65 |
| 1000 | 5.03 | 7.75 | 4.65 | 9.00 |
| 1150 | 6.29 | 8.91 | 5.92 | 10.35 |
| 1300 | 7.57 | 10.08 | 7.18 | 11.70 |
| 1450 | 8.86 | 11.24 | 8.48 | 13.06 |
| 1600 | 10.13 | 12.40 | 9.75 | 14.41 |
| 1750 | 11.37 | 13.57 | 10.98 | 15.76 |
| RPM | 7000 mmAq | 8000 mmAq | ||
| m3/min | kW | m3/min | kW | |
| 850 | 3.11 | 8.65 | 2.81 | 9.53 |
| 1000 | 4.31 | 10.18 | 4.02 | 11.21 |
| 1150 | 5.59 | 11.71 | 5.29 | 12.89 |
| 1300 | 6.85 | 13.23 | 6.56 | 14.57 |
| 1450 | 8.15 | 14.76 | 7.85 | 16.25 |
| 1600 | 9.41 | 16.29 | 9.12 | 17.93 |
| 1750 | 10.65 | 17.81 | 10.36 | 19.62 |
II. Ưu điểm của máy thổi khí làm mát bằng dầu G100
- Hiệu suất cao: Máy thổi khí làm mát bằng dầu G100 của Greatech thường có hiệu suất cao, cung cấp lượng khí lớn với áp suất ổn định.
- Độ tin cậy: Thiết kế chắc chắn và động cơ mạnh mẽ giúp máy hoạt động ổn định và đáng tin cậy trong môi trường công nghiệp.
- Tiết kiệm năng lượng: Một số máy thổi khí làm mát bằng dầu G100 được thiết kế để tiết kiệm năng lượng, giảm chi phí vận hành cho người sử dụng.
- Dễ vận hành và bảo trì: Thiết kế và giao diện người dùng đơn giản giúp việc vận hành và bảo trì máy trở nên dễ dàng hơn.
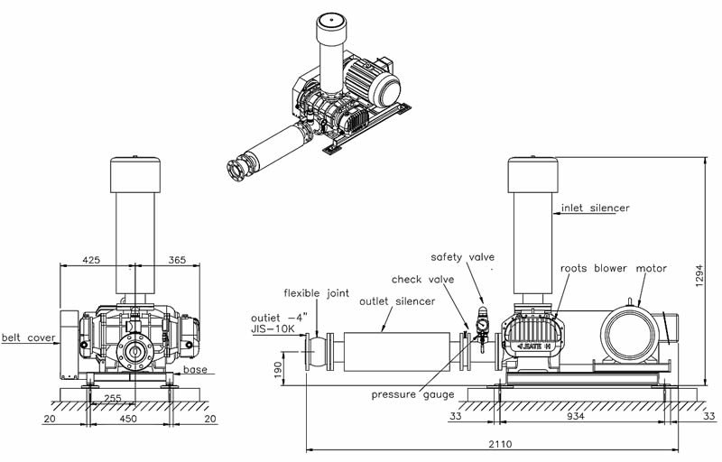
G100 Outline Dimensions

| No. | Item | Material |
| 1 | gear box | FC250 |
| 2 | gear box | SCM415 |
| 3 | bearing | SUJ2 |
| 4 | bearing case | FC250 |
| 5 | side cover | FC250 |
| 6 | oil plug | S45C |
| 7 | lmpeller | FC250 |
| 8 | eye bolt | S45C |
| 9 | shaft seal | S45C |
| 10 | oil box | FC250 |
| 11 | oil splash | SS400 |
| 12 | oil seal case | FC250 |
| 13 | screw nut | SS400 |
| 14 | pulley | FC250 |
| 15 | oil seal case | NBR |
| 16 | oil gauge | S45C |
| 17 | oil drainer | S45C |
| 18 | cylinder | FC250 |
| 19 | shaft 軸 | SCM440 |
| 20 | oil gauge | S45C |
| 21 | oil drainer | S45C |
| 22 | oil splash | SS400 |
G100 Outline Dimension

Thông tin liên hệ:
Miền Nam: :Số 480 Đường 51, Phường Phú Tân, TP Bình Dương.
Miền Bắc: 465 Tam Trinh – Hoàng Văn Thụ – Hoàng Mai – Hà Nội.
Website:http://maybomshinmaywa.com
Fanpage: Máy thiết bị công nghiệp Nasa


1 đánh giá cho Máy thổi khí làm mát bằng dầu G100