I. Cấu trúc và hoạt động của máy thổi khí GR250
- Máy thổi khí GR250 thường có một động cơ điện hoặc động cơ diesel kết hợp với một cánh quạt hoặc một loạt cánh quạt để tạo ra luồng khí. Khí được hút vào qua một bộ lọc và sau đó được nén và đẩy ra qua một ống hoặc hệ thống ống đường dẫn.
- Máy thổi khí GR250 là một công cụ quan trọng trong nhiều ứng dụng công nghiệp và xử lý nước, giúp cung cấp khí và tuần hoàn trong các quy trình sản xuất và xử lý.
GR250 Performance Curve

GR250 Noise curve

GR250 Performance Table
| RPM | 1000 mmAq | 2000 mmAq | ||
| m3/min | kW | m3/min | kW | |
| 600 | 19.03 | 5.05 | 17.92 | 9.72 |
| 750 | 25.22 | 6.31 | 24.02 | 12.15 |
| 900 | 30.87 | 7.57 | 29.71 | 14.58 |
| 1050 | 36.73 | 8.83 | 35.56 | 17.01 |
| 1200 | 42.15 | 10.1 | 41.32 | 19.44 |
| 1350 | 47.89 | 11.36 | 47.04 | 21.87 |
| 1500 | 53.21 | 12.62 | 52.68 | 24.3 |
| RPM | 3000 mmAq | 4000 mmAq | ||
| m3/min | kW | m3/min | kW | |
| 600 | 16.94 | 13.91 | 16.03 | 17.83 |
| 750 | 23.32 | 17.39 | 22.42 | 22.29 |
| 900 | 28.98 | 20.87 | 28.14 | 26.74 |
| 1050 | 34.86 | 24.35 | 34.01 | 31.2 |
| 1200 | 40.27 | 27.82 | 39.41 | 35.66 |
| 1350 | 46.03 | 31.3 | 45.22 | 40.12 |
| 1500 | 52.16 | 34.78 | 51.49 | 44.57 |
| RPM | 5000 mmAq | 6000 mmAq | ||
| m3/min | kW | m3/min | kW | |
| 600 | 15.56 | 21.43 | 14.88 | 24.78 |
| 750 | 21.64 | 26.79 | 20.97 | 30.98 |
| 900 | 27.24 | 32.15 | 26.71 | 37.18 |
| 1050 | 33.25 | 37.15 | 32.59 | 43.37 |
| 1200 | 38.67 | 42.87 | 38.02 | 49.57 |
| 1350 | 44.55 | 48.23 | 44.06 | 55.77 |
| 1500 | 50.83 | 53.59 | 50.22 | 61.96 |
| RPM | 7000 mmAq | 8000 mmAq | ||
| m3/min | kW | m3/min | kW | |
| 600 | 14.26 | 27.89 | 13.71 | 30.8 |
| 750 | 20.36 | 34.86 | 19.86 | 38.5 |
| 900 | 26.18 | 41.84 | 25.67 | 43.2 |
| 1050 | 31.95 | 48.81 | 31.54 | 53.9 |
| 1200 | 37.46 | 55.78 | 37.02 | 61.59 |
| 1350 | 43.54 | 62.75 | 43.07 | 69.29 |
| 1500 | 49.53 | 69.73 | 49.03 | 76.99 |
II. Ứng dụng của máy thổi khí GR250
- Xử lý nước: Dùng trong các hệ thống xử lý nước thải, hệ thống xử lý nước sạch, và các hệ thống cung cấp oxy hóa trong quá trình xử lý nước.
- Công nghiệp: Sử dụng trong các quá trình sản xuất như chế biến thực phẩm, công nghiệp hóa chất, công nghiệp giấy, và các ứng dụng khác đòi hỏi sự tuần hoàn hoặc cung cấp khí.
III. Ưu điểm
- Hiệu suất cao: Máy thổi khí GR250 thường có hiệu suất vận hành cao, cung cấp lượng khí lớn trong thời gian ngắn.
- Độ tin cậy: Thông thường, các máy thổi khí GR250 được thiết kế để hoạt động liên tục mà không cần nhiều bảo trì.
- Tiết kiệm năng lượng: Nhiều máy thổi khí GR250 được thiết kế để tiết kiệm năng lượng, giảm chi phí vận hành cho người sử dụng.
- Dễ vận hành và bảo trì: Một số máy thổi khí GR250 được thiết kế với giao diện người dùng đơn giản, dễ sử dụng và bảo trì.
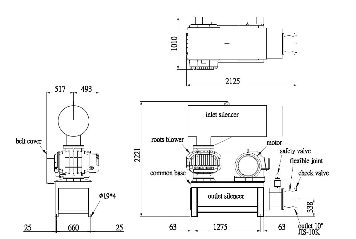
GR250 Outline Dimensions

| No. | Item | Material |
| 1 | gear box | FC250 |
| 2 | gear box | SCM415 |
| 3 | bearing | SUJ2 |
| 4 | bearing case | FC250 |
| 5 | side cover | FC250 |
| 6 | oil plug | S45C |
| 7 | lmpeller | FC250 |
| 8 | eye bolt | S45C |
| 9 | shaft seal | S45C |
| 10 | oil box | FC250 |
| 11 | oil splash | SS400 |
| 12 | oil seal case | FC250 |
| 13 | screw nut | SS400 |
| 14 | pulley | FC250 |
| 15 | oil seal case | NBR |
| 16 | oil gauge | S45C |
| 17 | oil drainer | S45C |
| 18 | cylinder | FC250 |
| 19 | shaft 軸 | SCM440 |
| 20 | oil gauge | S45C |
| 21 | oil drainer | S45C |
| 22 | oil splash | SS400 |
GR250 Outline Dimension

Thông tin liên hệ:
Miền Nam: :Số 480 Đường 51, Phường Phú Tân, TP Bình Dương.
Miền Bắc: 465 Tam Trinh – Hoàng Văn Thụ – Hoàng Mai – Hà Nội.
Website:http://maybomshinmaywa.com
Fanpage: Máy thiết bị công nghiệp Nasa


1 đánh giá cho Máy thổi khí GR250