I. Giới thiệu máy thổi khí Greatech GM100
Được thiết kế để cung cấp lưu lượng khí lớn và áp suất cao cho các ứng dụng công nghiệp. Dưới đây là một số thông tin cơ bản về máy thổi khí Greatech GM100
Máy thổi khí Greatech GM100 được đánh giá cao về hiệu suất hoạt động, độ tin cậy và khả năng hoạt động ổn định trong môi trường công nghiệp. Thiết kế thông minh của máy giúp việc bảo dưỡng và sửa chữa trở nên dễ dàng hơn, giúp tiết kiệm thời gian và chi phí.
II. Ứng dụng máy thổi khí Greatech GM100
G100 Performance Curve

G100 Noise curve

Máy thổi khí Greatech GM100
G100 Performance Table
| RPM | 1000 mmAq | 2000 mmAq | ||
| m3/min | kW | m3/min | kW | |
| 850 | 5.97 | 1.59 | 5.34 | 3.09 |
| 1000 | 7.11 | 1.88 | 6.49 | 3.64 |
| 1150 | 8.37 | 2.16 | 7.75 | 4.18 |
| 1300 | 9.64 | 2.44 | 9.02 | 4.73 |
| 1450 | 10.94 | 2.72 | 10.33 | 5.27 |
| 1600 | 12.21 | 3.00 | 11.60 | 5.82 |
| 1750 | 13.43 | 3.28 | 12.82 | 6.36 |
| RPM | 3000 mmAq | 4000 mmAq | ||
| m3/min | kW | m3/min | kW | |
| 850 | 4.78 | 4.34 | 4.28 | 5.41 |
| 1000 | 5.94 | 5.10 | 5.45 | 6.36 |
| 1150 | 7.21 | 5.87 | 6.72 | 7.32 |
| 1300 | 8.48 | 6.63 | 7.98 | 8.27 |
| 1450 | 9.78 | 7.40 | 9.29 | 9.23 |
| 1600 | 11.05 | 8.16 | 10.56 | 10.18 |
| 1750 | 12.28 | 8.93 | 11.79 | 11.14 |
| RPM | 5000 mmAq | 6000 mmAq | ||
| m3/min | kW | m3/min | kW | |
| 850 | 3.85 | 6.59 | 3.46 | 7.65 |
| 1000 | 5.03 | 7.75 | 4.65 | 9.00 |
| 1150 | 6.29 | 8.91 | 5.92 | 10.35 |
| 1300 | 7.57 | 10.08 | 7.18 | 11.70 |
| 1450 | 8.86 | 11.24 | 8.48 | 13.06 |
| 1600 | 10.13 | 12.40 | 9.75 | 14.41 |
| 1750 | 11.37 | 13.57 | 10.98 | 15.76 |
| RPM | 7000 mmAq | 8000 mmAq | ||
| m3/min | kW | m3/min | kW | |
| 850 | 3.11 | 8.65 | 2.81 | 9.53 |
| 1000 | 4.31 | 10.18 | 4.02 | 11.21 |
| 1150 | 5.59 | 11.71 | 5.29 | 12.89 |
| 1300 | 6.85 | 13.23 | 6.56 | 14.57 |
| 1450 | 8.15 | 14.76 | 7.85 | 16.25 |
| 1600 | 9.41 | 16.29 | 9.12 | 17.93 |
| 1750 | 10.65 | 17.81 | 10.36 | 19.62 |
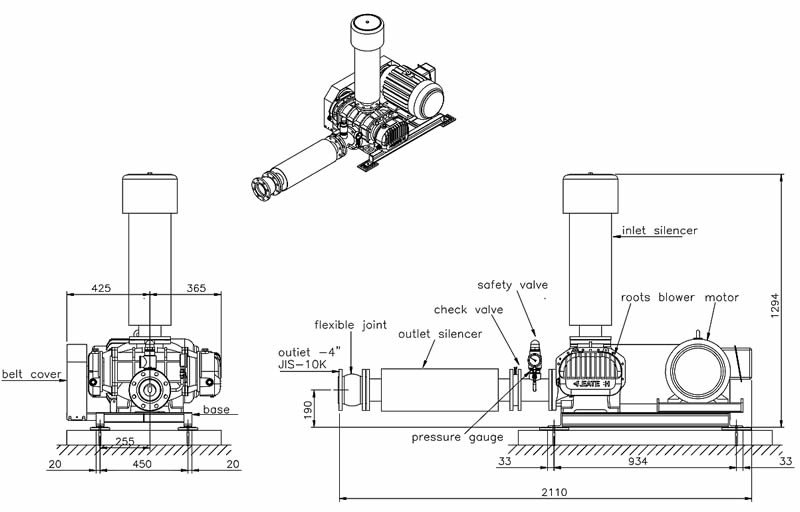
G100 Outline Dimensions

| No. | Item | Material |
| 1 | gear box | FC250 |
| 2 | gear box | SCM415 |
| 3 | bearing | SUJ2 |
| 4 | bearing case | FC250 |
| 5 | side cover | FC250 |
| 6 | oil plug | S45C |
| 7 | lmpeller | FC250 |
| 8 | eye bolt | S45C |
| 9 | shaft seal | S45C |
| 10 | oil box | FC250 |
| 11 | oil splash | SS400 |
| 12 | oil seal case | FC250 |
| 13 | screw nut | SS400 |
| 14 | pulley | FC250 |
| 15 | oil seal case | NBR |
| 16 | oil gauge | S45C |
| 17 | oil drainer | S45C |
| 18 | cylinder | FC250 |
| 19 | shaft 軸 | SCM440 |
| 20 | oil gauge | S45C |
| 21 | oil drainer | S45C |
| 22 | oil splash | SS400 |
Máy thổi khí Greatech GM100
G100 Outline Dimension

Thông tin liên hệ:
Miền Nam: Số 480 Đường 51, Phường Phú Tân, TP Bình Dương.
Miền Bắc: 465 Tam Trinh – Hoàng Văn Thụ – Hoàng Mai – Hà Nội.
Website:http://maybomshinmaywa.com/
Fanpage: Máy thiết bị công nghiệp Nasa






1 đánh giá cho Máy thổi khí Greatech GM100