I. Giới thiệu máy thổi khí làm mát bằng nước G100
- Công suất làm mát: Máy thổi khí làm mát bằng nước G100 có khả năng làm mát một diện tích cụ thể, thường được đo bằng mét vuông hoặc thể tích không gian.
- Điều khiển nhiệt độ: Có thể có các cài đặt để điều chỉnh nhiệt độ của không khí được thổi ra từ máy.Chế độ làm mát đa dạng: Bao gồm các chế độ như làm mát tự nhiên, làm mát bằng hơi nước, hoặc làm mát kết hợp với quạt.
- Hệ thống lọc không khí: Một số máy thổi khí làm mát bằng nước G100 có thể tích hợp hệ thống lọc để loại bỏ bụi bẩn và vi khuẩn từ không khí.
- Tiết kiệm năng lượng: Các tính năng tiết kiệm năng lượng như chế độ tự động tắt sau một khoảng thời gian không sử dụng hoặc chế độ tiết kiệm điện.
- Khả năng tự làm sạch: Một số máy thổi khí làm mát bằng nước G100 có tính năng tự làm sạch để giữ cho hệ thống hoạt động tốt hơn và kéo dài tuổi thọ của sản phẩm.
G100 Performance Curve

G100 Noise curve

G100 Performance Table
| RPM | 1000 mmAq | 2000 mmAq | ||
| m3/min | kW | m3/min | kW | |
| 850 | 5.97 | 1.59 | 5.34 | 3.09 |
| 1000 | 7.11 | 1.88 | 6.49 | 3.64 |
| 1150 | 8.37 | 2.16 | 7.75 | 4.18 |
| 1300 | 9.64 | 2.44 | 9.02 | 4.73 |
| 1450 | 10.94 | 2.72 | 10.33 | 5.27 |
| 1600 | 12.21 | 3.00 | 11.60 | 5.82 |
| 1750 | 13.43 | 3.28 | 12.82 | 6.36 |
| RPM | 3000 mmAq | 4000 mmAq | ||
| m3/min | kW | m3/min | kW | |
| 850 | 4.78 | 4.34 | 4.28 | 5.41 |
| 1000 | 5.94 | 5.10 | 5.45 | 6.36 |
| 1150 | 7.21 | 5.87 | 6.72 | 7.32 |
| 1300 | 8.48 | 6.63 | 7.98 | 8.27 |
| 1450 | 9.78 | 7.40 | 9.29 | 9.23 |
| 1600 | 11.05 | 8.16 | 10.56 | 10.18 |
| 1750 | 12.28 | 8.93 | 11.79 | 11.14 |
| RPM | 5000 mmAq | 6000 mmAq | ||
| m3/min | kW | m3/min | kW | |
| 850 | 3.85 | 6.59 | 3.46 | 7.65 |
| 1000 | 5.03 | 7.75 | 4.65 | 9.00 |
| 1150 | 6.29 | 8.91 | 5.92 | 10.35 |
| 1300 | 7.57 | 10.08 | 7.18 | 11.70 |
| 1450 | 8.86 | 11.24 | 8.48 | 13.06 |
| 1600 | 10.13 | 12.40 | 9.75 | 14.41 |
| 1750 | 11.37 | 13.57 | 10.98 | 15.76 |
| RPM | 7000 mmAq | 8000 mmAq | ||
| m3/min | kW | m3/min | kW | |
| 850 | 3.11 | 8.65 | 2.81 | 9.53 |
| 1000 | 4.31 | 10.18 | 4.02 | 11.21 |
| 1150 | 5.59 | 11.71 | 5.29 | 12.89 |
| 1300 | 6.85 | 13.23 | 6.56 | 14.57 |
| 1450 | 8.15 | 14.76 | 7.85 | 16.25 |
| 1600 | 9.41 | 16.29 | 9.12 | 17.93 |
| 1750 | 10.65 | 17.81 | 10.36 | 19.62 |
II. Ưu điểm của máy thổi khí làm mát bằng nước g100
- Hiệu suất làm mát: Máy thổi khí làm mát bằng nước G100 làm mát bằng nước thường cung cấp hiệu suất làm mát cao trong các điều kiện khí hậu khô cằn.
- Tiết kiệm năng lượng: So với hệ thống điều hòa không khí truyền thống, máy thổi khí làm mát bằng nước thường tiêu thụ ít điện năng hơn, giúp tiết kiệm chi phí vận hành.
- Dễ dàng sử dụng: Đa số các máy thổi khí làm mát bằng nước G100 làm mát đều có thiết kế đơn giản và dễ sử dụng, cho phép người dùng cài đặt và vận hành một cách thuận tiện.
- Ít tạo ra chất thải: So với hệ thống làm lạnh truyền thống, máy thổi khí làm mát bằng nước G100 làm mát bằng nước thường không sản sinh ra khí thải gây ô nhiễm môi trường.
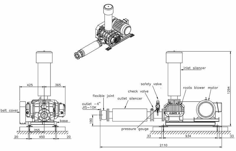
G100 Outline Dimensions

| No. | Item | Material |
| 1 | gear box | FC250 |
| 2 | gear box | SCM415 |
| 3 | bearing | SUJ2 |
| 4 | bearing case | FC250 |
| 5 | side cover | FC250 |
| 6 | oil plug | S45C |
| 7 | lmpeller | FC250 |
| 8 | eye bolt | S45C |
| 9 | shaft seal | S45C |
| 10 | oil box | FC250 |
| 11 | oil splash | SS400 |
| 12 | oil seal case | FC250 |
| 13 | screw nut | SS400 |
| 14 | pulley | FC250 |
| 15 | oil seal case | NBR |
| 16 | oil gauge | S45C |
| 17 | oil drainer | S45C |
| 18 | cylinder | FC250 |
| 19 | shaft 軸 | SCM440 |
| 20 | oil gauge | S45C |
| 21 | oil drainer | S45C |
| 22 | oil splash | SS400 |
G100 Outline Dimension

Thông tin liên hệ:
Miền Nam: :Số 480, Đường 51, Phường Phú Tân, TP Bình Dương.
Miền Bắc: 465 Tam Trinh – Hoàng Văn Thụ – Hoàng Mai – Hà Nội.
Email: Nasa2979@gmail.com
Website:http://maybomshinmaywa.com
Fanpage: Máy thiết bị công nghiệp Nasa


1 đánh giá cho Máy thổi khí làm mát bằng nước G100